The Electric Spindle for Numerical Control Milling Machine
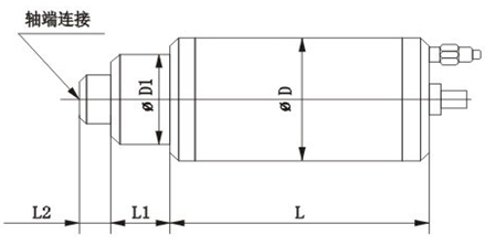
| Spingdle type | Speed | Motor | Dimensions(mm) | Bearings type | |||||||||
| (r/min) | KW | V | A | H2 | D | D1 | Joint of spindle nose | L | L1 | L2 | Lub | ||
| ADX80-42Z/1.2 | 42000 | 1.2 | 220 | 4.9 | 700 | 80 | 57 | ER11-Φ6 | 159 | 17 | 20 | Grease | 1×B7002C/P4 |
| 1×B7002C/P4 | |||||||||||||
| ADX85-24Z/1.5 | 24000 | 1.5 | 220 | 5.5 | 400 | 85 | 81 | ER16-Φ6 | 223 | 18 | 31 | Grease | 1×7005C/P4 |
| 1×7003C/P4 | |||||||||||||
| ADX100-12Z/1A | 12000 | 1 | 220 | 3.8 | 200 | 100 | 80 | ER20-Φ10 | 175 | 28 | 31 | Grease | 2×7005C/P4 |
| 1×6003VVC3/P5 | |||||||||||||
| ADX100-24Z/2.2G | 24000 | 2.2 | 220 | 7.8 | 400 | 100 | 80 | ER20-Φ12.7 | 220 | 28 | 38 | Grease | 2×7005C/P4 |
| 1×6003VVC3/P5 | |||||||||||||
| ADX100-24Z/2.2B | 24000 | 2.2 | 220 | 7.8 | 400 | 100 | 80 | ER20-Φ12.7 | 240 | 28 | 38 | Grease | 2×7005C/P4 |
| 2×7003C/P4 | |||||||||||||
| ADX110-18Z/3.2A | 18000 | 3.2 | 380 | 6.4 | 300 | 110 | 108 | ER25-Φ10 | 271 | 10 | 50.5 | Grease | 2×7007C/P4 |
| 1×7005C/P4 | |||||||||||||
| ADX62/110-12-24Z/2.5 | 12000 | 2.5 | 220 | 10 | 200 | 110 | 62 | ER16-Φ6 | 181 | 195 | 28 | Grease | 4×7005C/P4 |
| 24000 | 400 | 1×7004C/P4 | |||||||||||
| ADX85/110-12-24Z/2.5 | 12000 | 2.5 | 220 | 10 | 200 | 110 | 85 | ER20-Φ6 | 226 | 120 | 35 | Grease | 2×7006C/P4 |
| 24000 | 400 | 2×7005C/P4 | |||||||||||
| ADX112-18Z/3.2A | 18000 | 3.2 | 380 | 6.4 | 300 | 112 | 135 | ER25-Φ10 | 271 | 10 | 50.5 | Grease | 2×7007C/P4 |
| 1×7005C/P4 | |||||||||||||
| ADX120-4-12Z/0.9A | 4000 | 12000 | 0.9 | 127 | 5.6 | 66.7 | 81 | M32X1.5 | 262 | 12 | 26 | Grease | 2×7007C/P4 |
| 200 | 200 | 1×6004 | |||||||||||
| ADX120-8Z/2.5 | 8000 | 2.5 | 380 | 5 | 133 | 120 | 81 | ER25-Φ10 | 332 | 12 | 26 | Grease | 2×B7007C/P4 |
| 2×B7006C/P4 | |||||||||||||
| ADX140-9-14Z/5.5 | 9000 | 5.5 | 380 | 11 | 450 | 140 | 115 | ER32-Φ20 | 302 | 91 | 45 | Grease | 3×7010C/P4ceramic |
| 14000 | 600 | 2×7208C/P4 ceramic | |||||||||||
| ADX100/150-8Z/3 | 4000 | 3 | 220 | 8.4 | 133 | 150 | 100 | ER25-Φ12.7 | 247 | 160 | 28 | Grease | 3×7007CTA/P4 |
| 8000 | 311 | 266 | 1×6006VV/P5 | ||||||||||
| Spingdle type | Speed | Motor | Dimensions(mm) | Bearings type | |||||||||
| (r/min) | KW | V | A | H2 | D | D1 | Joint of spindle nose | L | L1 | L2 | Lub | ||
| ADX150-9-18Z/5 | 9000 | 5 | 269 | 14.2 | 300 | 150 | 110 | ER25-Φ12.7 | 345 | 32 | 43 | Grease | 2×B7007C/P4 |
| 18000 | 380 | 600 | 2×B7006C/P4 | ||||||||||
| ADX150-24Z/4.5 | 24000 | 4.5 | 293 | 10.4 | 400 | 150 | 94 | ER25-Φ12.7 | 235 | 50 | 32 | Grease | 2×B7006C/P4 |
| 2×B7005C/P4 | |||||||||||||
| ADX150-24Z/7.3HB | 24000 | 7.3 | 293 | 15.5 | 400 | 150 | 112 | ER20 | 281 | 33 | 33 | Grease | 2×B7006C/P4 |
| 2×B7005C/P4 | |||||||||||||
| ADX100-15Z/3。6B | 15000 | 3.6 | 380 | 7.2 | 250 | 100 | -- | ER20 | 281 | 33 | 33 | Grease | 2×7007C/P5 |
| 2×7005C/P5 | |||||||||||||
| ADX58-24Z/0.8A | 24000 | 0.8 | 220 | 2.3 | 400 | 58 | 44 | ER11 | 197 | 23 | 18 | Grease | 2×B7002C/P4 |
| 1×6001C/P5 | |||||||||||||
| ADX100-24Z/3.2B | 24000 | 3.2 | 380 | 6.5 | 400 | 100 | 80 | ER20 | 249 | 28 | 33 | Grease | 2×7005C/P4 |
| 220 | 11.4 | 400 | 2×7004C/P4 | ||||||||||
| ADX125-18Z/5.5B | 18000 | 5.5 | 380 | 8.9 | 300 | 125 | 96 | ER25 | 307 | 17 | 28 | Grease | 2×B7007C/P4 |
| 2×B7005C/P4 | |||||||||||||
| ADX150-24Z/6 | 24000 | 6 | 293 | 15.5 | 400 | 150 | 104 | ER20 | 297 | 40 | 25 | Grease | 2×B7007C/P4 |
| 2×B7005C/P4 | |||||||||||||
| ADX62-24Z/0.8 | 24000 | 0.8 | 220 | 2.2 | 400 | 62 | 55 | ER11 | 206 | 10 | 20 | Grease | B7002C/P4 |
| B7000C/P4 | |||||||||||||
| ADX60-24Z/0.25A | 24000 | 0.25 | 220 | 1.2 | 400 | 60 | 55 | ER11 | 179 | 10 | 19 | Grease | 2×B7002C/P4 |
| 1×6000VVC/P5 | |||||||||||||
Motor Spindle
- » The Working Out Way of Electric Spindle Products
- » Workpiece Spindle
- »Liquid Motive And Strangnant Oil Film Spindle
- » The Strop Spindles for Woodworking Carver and Miller
- » The Belt Driven Spindles for Grinding
- » The Electric Spindles for Woodworking
- » The Machinical spindle for Numerical Control Lathe Machinery
- »Speed up High Frequency Spindle for Machine Centre
- »Electric spindle for grinding
- » The Electric Spindle for Special Grinding
- » The Electric Spindle for Numerical Control Milling Machine
- » Electric Spindle for Numerical Control Engraving Machine
- » The High Frequency Spindle for Machine Centre and Parallel Lathe
- » The Belt Driven Spindle for Machining Centre
- » Numerical High Frequency Spindle for Engraving
- » The High Frequency Spindles for Grinding
Company Profile
Anyang General International Co., Ltd
E-mail: info@spindle-motors.com
Tel: (86) 372 5086903
Fax: (86) 372 5951936
Zip Code:455000
Add uite A,4/F Jinhao Business Bld.,Renmin